Verwendung
Der Warmluft- und Strahlungsofen APOLO Pro ist zum zusätzlichen Heizen und Beheizen von Wohnräumen, Pensionen, Restaurants, Sälen, Clubräumen, Erholungseinrichtungen, aber auch von Werkstätten, Lagerhäusern, Betrieben usw. bestimmt.
LUMA kamna erfüllt die europäischen Standards (u.a. BIMSCHV Stufe 2 und ECOdesign 2022).
In ihnen können Holz und Holzbriketts verheizt werden.
Faszinierendes Design
Das elegante Design kombiniert mit einer Vollglastür sorgt für ein ungestörtes Sichtfeld auf das brennende Feuer.
Dieser Ofen wird zu einer modernen Dominante Ihres Hauses, aber auch größerer Räume, die Sie beheizen wollen.
Durchdachte Konstruktion
Die ausgefeilte Konstruktion des Ofens APOLO Pro mit seitlichen Rohren und einem Wärmetauscher, ergänzt durch einen radialen Ventilator zum Ausblasen der heißen Luft garantiert in Verbindung mit dem System der sekundären Verbrennung eine sehr hohe Wirksamkeit des Ofens.
Im Inneren des Wärmetauschers befindet sich ein Wischelement zur einfachen Reinigung der Wärmeübertragungsflächen des Wärmetauschers. Der Abstreifer wird einfach durch eine Zugstange bewegt. Dadurch lässt sich der Wärmetauscher leicht reinigen und seine richtige Funktion und maximale Wirksamkeit erzielen.
Ein weiterer Vorteil dieser Konstruktion ist die schnelle Wärmewirkung. Schon wenige Minuten nach dem Einheizen wird die warme Luft hinausgeblasen und im gesamten beheizten Raum verteilt.
Der Ventilator befindet sich im unteren Bereich des Ofens und bei einem Stromausfall besteht nicht die Gefahr, dass er durch den heißen Ofenkörper beschädigt wird.
Saubere Verbrennung
Der Ofen ist mit einem sekundären Verbrennungssystem ausgestattet, das für eine perfekte Verbrennung sorgt. Dadurch verursacht der Ofen geringere Emissionen. Darüber hinaus sinkt der Brennstoffverbrauch gegenüber gewöhnlichen Öfen mit einer vergleichbaren Leistung um bis zu 40%.
Gleichmäßiges Heizen
Der Warmluftwärmetauscher entzieht dem Rauch maximale Wärme und spart dadurch Heizkosten für das Objekt. Ein weiterer Vorteil des Ofens APOLO Pro Ofenbesteht in der Wärmeverteilung im gesamten beheizten Raum, in dem die warme und kalte Luft in der Umgebung des Ofens schneller und gleichmäßiger vermischt wird.
Weitere Informationen:
Sie können die Leistung des Ofens einfach durch Zuleitung primärer Luft mit Hilfe der steuerbaren Blende in der Tür regulieren. Die sekundäre Luft wird unter Berücksichtigung der Leistung des Ofens bereits werkseitig optimal eingestellt.
Die Brennkammer ist mit hitzebeständigen Formsteinen ausgekleidet, die die hohe Temperatur in der Brennkammer aufrechterhalten und dadurch für eine perfekte Verbrennung sorgen. Die Formsteine schützen gleichzeitig die innenliegenden Metallteile der Brennkammer, wodurch eine lange Lebensdauer des Ofens garantiert wird.
Zum Ofen kann eine Steuereinheit zur Regulierung der Drehzahl des Ventilators zugekauft werden der die heiße Luft aus dem Ofen bläst. Die Einheit kann in den manuellen oder automatischen Betrieb geschaltet werden. Im automatischen Betrieb wird die Drehzahl des Ventilators abhängig von der aktuellen Leistung (Temperatur) des Ofens gesteuert.
Beschreibung:
Nennwärmeleistung 17,6 kW
Leistungsbereich 9 – 20 kW
Beheizbares Raumvolumen 150-450 m³
Holzverbrauch 4,4 kg/h
Energieeffizienzklasse A+
Wirkungsgrad 83 %
CO – bei O2=13% 0,0682 %
Maximaler Holzverbrauch 6 kg/h
Durchflussmenge der erwärmten Luft 100 – 500 m³/h
Ständige Temperatur am Austritt 50 – 110 °C
Leistungsaufnahme des Lüfters 62 – 110 W
Abgastemperatur 219 °C
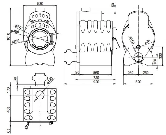
Rauchrohranschluss 150 mm
Mindestkaminzug 12 Pa
Maximale Scheitholzlänge 540 mm
Tiefe (mit Lüfter) 715 (910) mm
Breite 610mm
Höhe 1 040 mm
Gewicht 190 kg
Massendurchfluss von trockenen Abgasmassenstom 15,8 g/s
Staub bei O2=13% 34 mg/Nm³
CO bei O2=13% 852 mg/Nm³
NOX bei O2=13% 140 mg/Nm³
OGC bei O2=13% 56 mg/Nm³
Hauptvorteile des Warmluftofens APOLO Pro
Hergestellt aus starken hitzebeständigen Materialien
Hohe Wirksamkeit
Patentiertes System des dreifachen Wärmetausches
Geringer Holzverbrauch (um bis zu 40%)
Reinigbarer Aussenwärmetauscher
Radialer Druckventilator
Hitzebeständige Zuleitungen der sekundären Luft aus Edelstahl
Lange Brenndauer
Einfache Steuerung der Zuleitung der primären Luft
Mit hitzebeständigen Formsteinen aus Beton ausgelegte Brennkammer (lange Lebensdauer)
Automatische Regulation der Drehzahl mit einem Trafo (optionales Zubehör für 475 €)
System ohne Brenngitter
Bitte sprechen Sie vor dem Kauf einer Feuerstelle grundsätzlich mit Ihrem zuständigen Schornsteinfegermeister. Lassen Sie Ihren Schornstein vor dem Einbau der Feuerstelle auf Verwendbarkeit prüfen. Beachten Sie grundsätzlich die Bedienungs- und Aufstellanleitungen und wahren Sie die erforderlichen Sicherheitsabstände. Lassen Sie die Feuerstelle vor der ersten Befeuerung durch den Bezirksschornsteinfegermeister abnehmen.





























Rezensionen
Es gibt noch keine Rezensionen.